
|
Basic |
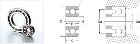
Nominal Bearing Dimensions |
Preferred Shoulder Diameters |
||||||||||||
|
d |
D |
B,C |
r (min) |
da (min) |
da (max) |
Da (max) |
||||||||
|
mm |
inch |
mm |
inch |
mm |
inch |
mm |
inch |
mm |
inch |
mm |
inch |
mm |
inch |
|
|
16001 |
12 | 0.4724 | 28 | 1.1024 | 7 | 0.2775 | 0.3 | 0.0118 | 14.0 | 0.551 | ... | ... | 26.0 | 1.024 |
|
16002 |
15 | 0.5906 | 32 | 1.2598 | 8 | 0.3150 | 0.3 | 0.0118 | 17.0 | 0.669 | ... | ... | 30.0 | 1.181 |
|
16003 |
17 | 0.6693 | 35 | 1.3780 | 8 | 0.3150 | 0.3 | 0.0118 | 19.0 | 0.748 | ... | ... | 33.0 | 1.299 |
|
16004 |
20 | 0.7874 | 42 | 1.6535 | 8 | 0.3150 | 0.3 | 0.0118 | 22.0 | 0.866 | ... | ... | 40.0 | 1.575 |
|
16005 |
25 | 0.9843 | 47 | 1.8504 | 8 | 0.3150 | 0.3 | 0.0118 | 27.0 | 1.063 | ... | ... | 45.0 | 1.772 |
|
16006 |
30 | 1.1811 | 55 | 2.1650 | 9 | 0.3543 | 0.3 | 0.0118 | 32.0 | 1.260 | ... | ... | 53.0 | 2.087 |
|
16007 |
35 | 1.3779 | 62 | 2.4409 | 9 | 0.3543 | 0.3 | 0.0118 | 37.0 | 1.457 | ... | ... | 60.0 | 2.362 |
|
16008 |
40 | 1.5748 | 68 | 2.6772 | 9 | 0.3543 | 0.3 | 0.0118 | 42.0 | 1.654 | ... | ... | 66.0 | 2.598 |
|
16009 |
45 | 1.7717 | 75 | 2.9528 | 10 | 0.3937 | 0.6 | 0.0236 | 48.2 | 1.898 | ... | ... | 71.8 | 2.827 |
|
16010 |
50 | 1.9650 | 80 | 3.1496 | 10 | 0.3937 | 0.6 | 0.0236 | 53.2 | 2.094 | ... | ... | 76.8 | 3.024 |
|
16011 |
55 | 2.1653 | 90 | 3.5433 | 11 | 0.4330 | 0.6 | 0.0236 | 58.2 | 2.291 | ... | ... | 86.8 | 3.417 |
|
16012 |
60 | 2.3620 | 95 | 3.7400 | 11 | 0.4330 | 0.6 | 0.0236 | 63.2 | 2.488 | ... | ... | 91.8 | 3.614 |
Any combination of closures is available
|
Basic |
Nominal Bearing Dimensions |
Preferred Shoulder Diameters |
||||||||||||
|
d |
D |
B,C |
r (min) |
da (min) |
da (max) |
Da (max) |
||||||||
|
mm |
inch |
mm |
inch |
mm |
inch |
mm |
inch |
mm |
inch |
mm |
inch |
mm |
inch |
|
|
6700 |
10 | 0.3937 | 16 | 0.5906 | 3 | 0.1181 | 0.3 | 0.0118 | 10.8 | 0.425 | ... | ... | 14.2 | 0.559 |
|
6701 |
12 | 0.4724 | 18 | 0.7087 | 4 | 0.1575 | 0.3 | 0.0118 | 13.6 | 0.535 | 13.8 | 0.543 | 16.4 | 0.646 |
|
6702 |
15 | 0.5906 | 21 | 0.8268 | 4 | 0.1575 | 0.3 | 0.0118 | 16.6 | 0.654 | 16.8 | 0.661 | 19.4 | 0.764 |
|
6703 |
17 | 0.6693 | 23 | 0.9055 | 4 | 0.1575 | 0.3 | 0.0118 | 18.6 | 0.732 | 18.8 | 0.740 | 21.4 | 0.843 |
☆We reserve the right to change specifications and other information included in this catalogue without notice.
|
Basic |
Basic Load |
Factor |
Limiting Speeds |
Ball |
Bearing Weight |
||||
|
Cr |
Cor |
fo |
Grease |
Oil |
No. |
Size |
Weight | ||
| Ibs | kg | ||||||||
| 16001 | 5.100 | 2.400 | 13.2 | 26000 | 30000 | 8 | 4.763 | 0.0418 | 0.0190 |
| 16002 | 5.850 | 2.850 | 14.0 | 22000 | 26000 | 9 | 4.763 | 0.0550 | 0.0250 |
| 16003 | 6.000 | 3.240 | 14.0 | 20000 | 24000 | 10 | 4.763 | 0.0704 | 0.0320 |
| 16004 | 6.350 | 3.740 | 15.0 | 18000 | 21000 | 10 | 5.556 | 0.1122 | 0.0510 |
| 16005 | 6.960 | 4.590 | 15.1 | 15000 | 18000 | 12 | 5.556 | 0.1298 | 0.0590 |
| 16006 | 11.240 | 7.380 | 15.2 | 13000 | 15000 | 12 | 6.350 | 0.2002 | 0.0910 |
| 16007 | 11.680 | 8.150 | 15.6 | 12000 | 14000 | 14 | 6.350 | 0.2354 | 0.1070 |
| 16008 | 12.600 | 9.660 | 16.0 | 10000 | 12000 | 15 | 6.350 | 0.2750 | 0.1250 |
| 16009 | 12.910 | 10.470 | 16.2 | 9200 | 11000 | 16 | 6.350 | 0.3762 | 0.1710 |
| 16010 | 16.090 | 13.150 | 16.4 | 8500 | 10000 | 16 | 7.144 | 0.3960 | 0.1800 |
| 16011 | 19.430 | 16.250 | 16.2 | 7700 | 9000 | 16 | 7.938 | 0.5676 | 0.2580 |
| 16012 | 19.960 | 17.490 | 16.3 | 7100 | 8500 | 17 | 7.938 | 0.6226 | 0.2830 |
|
Basic |
Basic Load |
Factor |
Limiting Speeds |
Ball |
Bearing Weight |
||||
|
Cr |
Cor |
fo |
Grease |
Oil |
No. |
Size |
Weight | ||
| Ibs | kg | ||||||||
| 6700 | 1.01 | 0.56 | 15.7 | 10000 | 12000 | 11 | 1.588 | 0.0110 | 0.0050 |
| 6701 | 1.07 | 0.56 | 16.2 | 8300 | 9500 | 13 | 1.588 | 0.0110 | 0.0050 |
| 6702 | 1.15 | 0.79 | 16.5 | 6600 | 7600 | 14 | 1.588 | 0.0110 | 0.0050 |
| 6703 | 1.20 | 0.87 | 16.3 | 5000 | 6700 | 15 | 1.588 | 0.0154 | 0.0070 |


